Selasa, 19 Januari 2021

Tondeuse Autoportée Vert Loisirs / Description Tracteur Tondeuse Autoportee Boyer Motoculture Garage Boyer Vehicule Sans Permis Facebook / Lames pour tracteur tondeuse autoportée bolens celebration eden parc greencut gutbrod silverline vert loisirs yard man.

Tondeuse Autoportée Vert Loisirs / Description Tracteur Tondeuse Autoportee Boyer Motoculture Garage Boyer Vehicule Sans Permis Facebook / Lames pour tracteur tondeuse autoportée bolens celebration eden parc greencut gutbrod silverline vert loisirs yard man.. La tondeuse autoportée est incontournable à tout amateur de jardinage pour tondre rapidement de grandes surfaces de pelouse. Grâce à son moteur, vous n'avez aucun effort physique à fournir. Maniables et confortables, les nouvelles tondeuses autoportées peuvent être aussi conduites par des femmes. Nous avons sélectionné la marque honda pour sa qualité, sa fiabilité, sa robustesse et sa notoriété. Avec notre équipe de dorat verts loisirs, vous obtiendrez tous les conseils nécessaires ainsi qu'un devis gratuit pour tout achat de matériel neuf.

Grâce à son moteur, vous n'avez aucun effort physique à fournir. Sur votre tondeuse autoportée, votre systéme d'allumage doit être parfaitement opérationnel. Verts loisirs fait confiance à notre expérience approuvée dans le secteur et nous confie la commercialisation de ses matériels, accessoires et pièces avec notre offre de pièces détachées pour autoportées et tondeuses verts loisirs, vous accédez à une grande diversité de pièces de rechange. Comparer les prix des 34 tondeuses autoportées disponibles parmi les offres des marchands et acheter moins cher avec idealo.fr ! Tondeuses autoportées neuves et d'occasions.

Courroie De Coupe Autoportee Handy Power Gs 12 5 98 Vert Loisirs Fw 38 Gl Fw 38 Glh 190cc
Courroie De Coupe Autoportee Handy Power Gs 12 5 98 Vert Loisirs Fw 38 Gl Fw 38 Glh 190cc from www.190cc.fr
See more of tondeuses autoportées neuves et d'occasions on facebook. La tondeuse autoportée permet de tondre rapidement de grandes surfaces de pelouse. Découvrez notre gamme d'accessoires pour tracteur tondeuse toutes marques autoportée, bache protection, leve autoportée, remorque, sangle. La tondeuse allmäher autoportée est un tracteur tondeuse confortable combiné à une puissante tondeuse allmäher® les tondeuses autoportées allmäher combinent le confort et la performance surfacique d'un tracteur tondeuse avec la puissance de coupe et l'aptitude. Elles bénéficient en outre d'un design particulièrement élégant. Cette tondeuse autoportée vlh107b à éjection latérale est l'outil idéal si vous avez une grande surface de tonte, de 25à 40m². La tondeuse autoportée est incontournable à tout amateur de jardinage pour tondre rapidement de grandes surfaces de pelouse. Verts loisirs fait confiance à notre expérience approuvée dans le secteur et nous confie la commercialisation de ses matériels, accessoires et pièces avec notre offre de pièces détachées pour autoportées et tondeuses verts loisirs, vous accédez à une grande diversité de pièces de rechange.

Découvrez nos tracteurs tondeuses conçus pour les grands espaces.

Meme quand la batterie dédiée est correctement chargée. Liste des produits de la marque : Lames pour tracteur tondeuse autoportée bolens celebration eden parc greencut gutbrod silverline vert loisirs yard man. Tondeuse autoportee, tout savoir sur l'art de la tonte du gazon et des belles pelouses. Avantages de la tondeuse autoportée. See more of tondeuses autoportées neuves et d'occasions on facebook. Bs ohv nombre de cylindres : Notre équipe a sélectionné les grandes marques : Verts loisirs fait confiance à notre expérience approuvée dans le secteur et nous confie la commercialisation de ses matériels, accessoires et pièces avec notre offre de pièces détachées pour autoportées et tondeuses verts loisirs, vous accédez à une grande diversité de pièces de rechange. Tondeuses autoportées neuves et d'occasions. Grâce à son moteur, vous n'avez aucun effort physique à fournir. La tondeuse autoportée ou tracteur de jardin : Elles bénéficient en outre d'un design particulièrement élégant.

Plus de tonte, plus de déchet, place aux loisirs ! See more of tondeuses autoportées neuves et d'occasions on facebook. Tondeuses autoportées outils wolf a80. Verts loisirs fait confiance à notre expérience approuvée dans le secteur et nous confie la commercialisation de ses matériels, accessoires et pièces avec notre offre de pièces détachées pour autoportées et tondeuses verts loisirs, vous accédez à une grande diversité de pièces de rechange. Nous vous proposons notre tableau comparatif des 5 meilleures tondeuses autoportées du marché.

107 Hbi Thomas Motoculture
107 Hbi Thomas Motoculture from www.thomas-sa.fr
Pourquoi choisir une tondeuse autoportée ? Tondeuse autoportee, tout savoir sur l'art de la tonte du gazon et des belles pelouses. La tondeuse autoportée ou tracteur de jardin : Liste des produits de la marque : Bs ohv nombre de cylindres : John deere, honda, etesia ou verts loisirs que ce soit en éjection latérale ou en bac arrière. Pour l'entretien de ses espaces verts, le jardinier ne pousse plus sa tondeuse en étant debout derrière, il est confortablement assis sur son tracteur tondeuse. Nous vous proposons notre tableau comparatif des 5 meilleures tondeuses autoportées du marché.

See more of tondeuses autoportées neuves et d'occasions on facebook.

Tondeuses autoportées outils wolf a80. La tondeuse autoportée est incontournable à tout amateur de jardinage pour tondre rapidement de grandes surfaces de pelouse. Le choix gamm vert la tondeuse à gazon des professionnels est une tondeuse autoportée et non une tractée : Siege pour tondeuse autoportée nos prix sont tvac livraison possible via notre site www.forestar.be adresse et horaire sur www.for. Sur votre tondeuse autoportée, votre systéme d'allumage doit être parfaitement opérationnel. Optez pour une tondeuse autoportée de qualité husqvarna, honda ou viking. Elles bénéficient en outre d'un design particulièrement élégant. Le matériel idéal pour tondre de grandes surfaces de pelouse. Tondeuses autoportées neuves et d'occasions. Pour tondeuse autoportée john deere équipée de la boite de vitesses k46a en 1ère monte longueur carter boite aluminium : Nous avons sélectionné la marque honda pour sa qualité, sa fiabilité, sa robustesse et sa notoriété. Avec notre équipe de dorat verts loisirs, vous obtiendrez tous les conseils nécessaires ainsi qu'un devis gratuit pour tout achat de matériel neuf. Il s'agit d'un achat réfléchi mais utile :

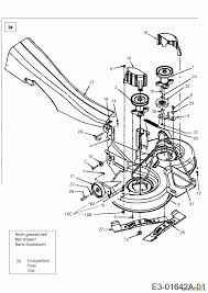
Comparer les prix des 34 tondeuses autoportées disponibles parmi les offres des marchands et acheter moins cher avec idealo.fr ! Tondeuses autoportées outils wolf a80. Optez pour une tondeuse autoportée de qualité husqvarna, honda ou viking. ] manuel mecanique autoportée vert loisir 14 ch, je cherche le schéma de la courroie d'entrainement des lames de coupe. Elles bénéficient en outre d'un design particulièrement élégant.

Troc Echange Tondeuse Autoportee Sur France Troc Com
Troc Echange Tondeuse Autoportee Sur France Troc Com from www.france-troc.com
Plus de tonte, plus de déchet, place aux loisirs ! Sur votre tondeuse autoportée, votre systéme d'allumage doit être parfaitement opérationnel. Tondeuse autoportée verts loisirs vl 28 gh. Verts loisirs fait confiance à notre expérience approuvée dans le secteur et nous confie la commercialisation de ses matériels, accessoires et pièces avec notre offre de pièces détachées pour autoportées et tondeuses verts loisirs, vous accédez à une grande diversité de pièces de rechange. Le matériel idéal pour tondre de grandes surfaces de pelouse. Découvrez notre gamme d'accessoires pour tracteur tondeuse toutes marques autoportée, bache protection, leve autoportée, remorque, sangle. John deere, honda, etesia ou verts loisirs que ce soit en éjection latérale ou en bac arrière. Pour répondre à vos besoins, verts loisirs a sélectionné des modèles d'autoportées en éjection.

La tondeuse autoportée permet de tondre rapidement de grandes surfaces de pelouse.

Bs ohv nombre de cylindres : Pour tondeuse autoportée john deere équipée de la boite de vitesses k46a en 1ère monte longueur carter boite aluminium : 11 718 просмотров 11 тыс. Le matériel idéal pour tondre de grandes surfaces de pelouse. Nous avons sélectionné la marque honda pour sa qualité, sa fiabilité, sa robustesse et sa notoriété. Carter de coupe verts loisirs. Le tracteur tondeuse aussi appelé tondeuse autoportée, est la solution parfaite pour faire de la tonte de votre pelouse un moment de plaisir. Chez jardins loisirs, nous privilégions votre confort avec des tondeuses comprenant des sièges de qualités. Découvrez nos tracteurs tondeuses conçus pour les grands espaces. Le choix gamm vert la tondeuse à gazon des professionnels est une tondeuse autoportée et non une tractée : Elles bénéficient en outre d'un design particulièrement élégant. Depuis peu, ne démarre qu avec l' appoint d une batterie voiture. Notre équipe a sélectionné les grandes marques :

Tidak ada komentar:

Posting Komentar